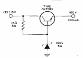
This circuit was obtained in a 1972 RCA power transistors manual. The transistor admits equivalents and must have a good heat radiator. Zeners for other stresses can be used. Observe the dissipation of the components used and the maximum output current.




