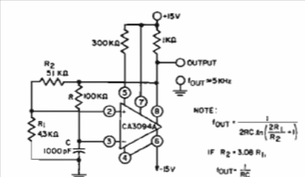
This traditional circuit is from a 1972 RCA technical publication. The circuit can be developed with more modern operators. The formulas are given next to the diagram and the power supply must be symmetrical. The maximum frequency depends on the operational.




