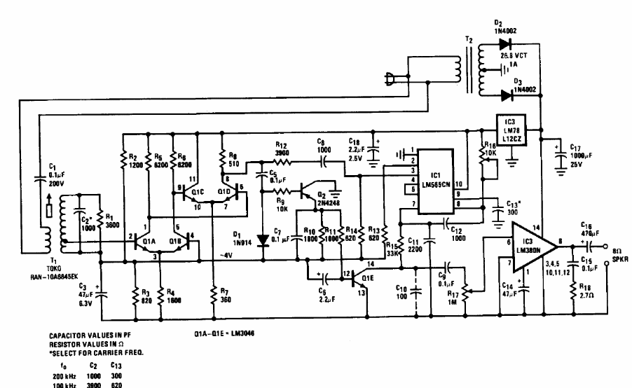
The circuit shown is the receiver for the CIR5645S, also suggested by National Semiconductor. The coil is the same as that of the transmitter and the audio amplifier can be more modern or external equivalent. The transistors array can be replaced by discrete equivalents.




