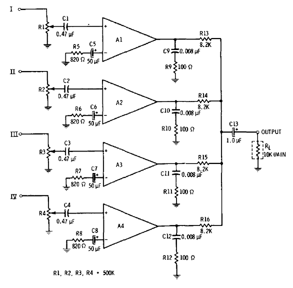
This circuit is from an old RCA documentation. Operational amplifiers can be more common types like the 741, powered by a symmetrical power source of 6 to 12 V. The signal input and output cables must be shielded.

This circuit is from an old RCA documentation. Operational amplifiers can be more common types like the 741, powered by a symmetrical power source of 6 to 12 V. The signal input and output cables must be shielded.
