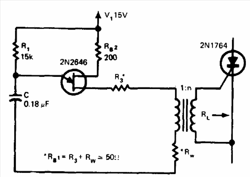
In the figure we show a trigger circuit for triacs with a unijunction transistor. The circuit is from an old publication. The pulse transformer has a turn ratio that depends on the triac used. TIC series triacs can be used in this circuit. Depending on the load, the SCR must be equipped with a heat radiator.




