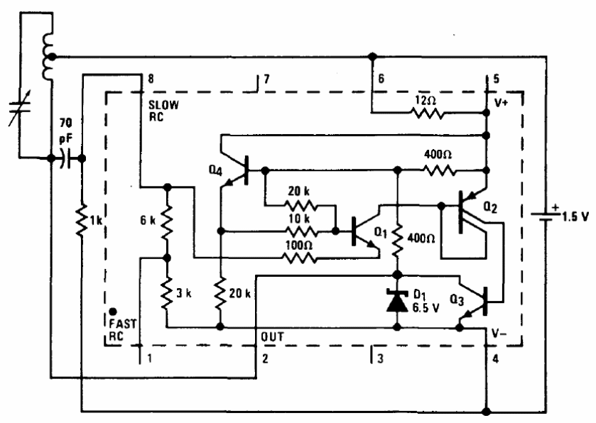
We found this circuit in documentation from National Semiconductor. For the medium wave range the coil consists of 50 + 50 turns of wire 28 in a ferrite rod.
This amplifier is from the 80s integrated circuit manual itself. Equivalent configurations can be adopted for...
Other operational amplifiers series, such as the MC34072, MC34074, MC35071, MC35072, MC35074 d...
This circuit was published in a 90s Radio Electronics. The circuit uses the well-known LM386 that...