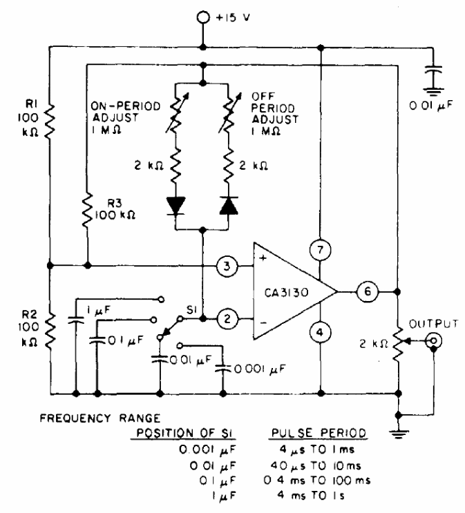
This circuit is from a 1977 RCA manual of integrated circuits. The company no longer exists, and the integrated circuit admits equivalents. In it we can adjust the times of the output signal according to the table next to the diagram.
This circuit is from a 1977 RCA manual of integrated circuits. The company no longer exists, and the integrated circuit admits equivalents. In it we can adjust the times of the output signal according to the table next to the diagram.