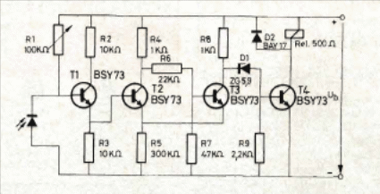
We found this circuit in a 1975 publication. The circuit can be made with more modern equivalent transistors like the BC558. The relay can be 9 or 12 V, depending on the voltage used in the supply and the sensor can be any photodiode.

We found this circuit in a 1975 publication. The circuit can be made with more modern equivalent transistors like the BC558. The relay can be 9 or 12 V, depending on the voltage used in the supply and the sensor can be any photodiode.
