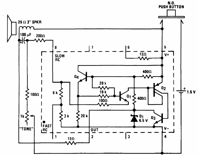
The experimental musical instrument with the LM3909 is suggested by National Semiconductor in technical documentation. The circuit emits sound when pressing the Push Button and the sound has a controlled frequency when moving the potentiometer, which, preferably, must be of the sliding type.




