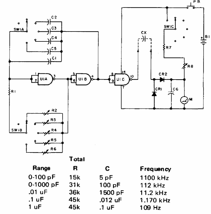
With this circuit, found in a 1978 publication, we can measure capacitances from 5 pF to 1 uF. The indicator consists of a 200 uA microammeter. The diodes are 1N4148 and the power can be supplied with a 9 V battery. The components determine the test frequency range, R8 must be adjusted with a capacitor of known value.




