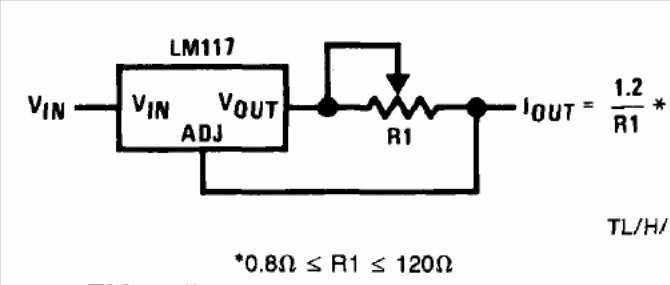
The circuit shown has a maximum output current of 1.5 A. We find this traditional configuration in the Linear Applications Handbook by National Semiconductor. R1 must be wire.
This circuit multiplies the input voltage by 3 and can work with up to 12 V input. The current is a few...
This circuit was obtained in a Hands-On Electronics from the 90's. The circuit turns on one LED at...
This telegraph monitor was found in an American documentation for radio amateurs from the 1970s. The...