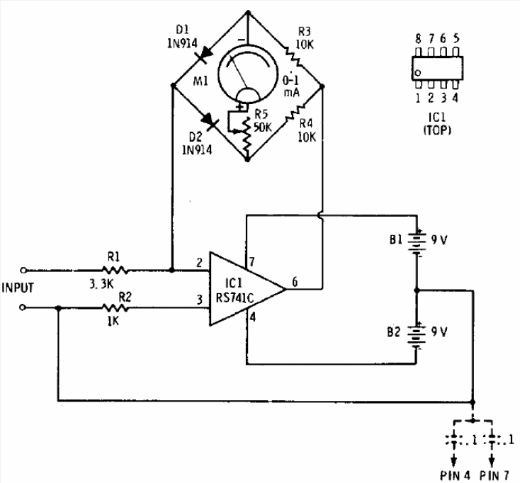
This circuit of very high input resistance was found in a Radio Shack documentation from 1977. The circuit is powered by a symmetrical source and other operational ones can be used. The instrument may also have other scale funds with an R5 change.
This circuit of very high input resistance was found in a Radio Shack documentation from 1977. The circuit is powered by a symmetrical source and other operational ones can be used. The instrument may also have other scale funds with an R5 change.