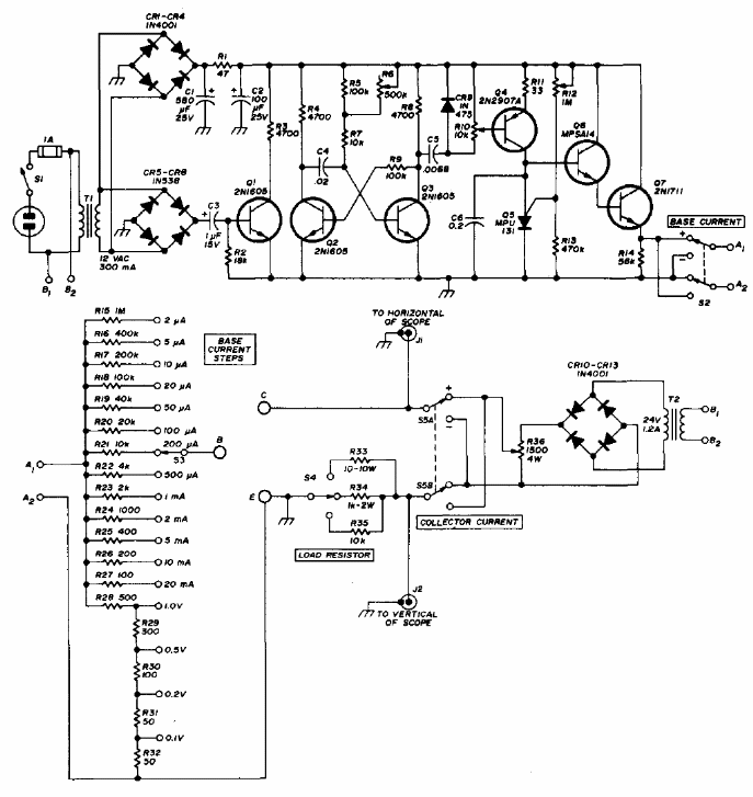
We found this circuit in a publication for radio amateurs in 1977. The circuit allows the characteristic curve of a component to be projected on the screen of an oscilloscope. Transistors can be general purpose types like BC548.
We found this circuit in a publication for radio amateurs in 1977. The circuit allows the characteristic curve of a component to be projected on the screen of an oscilloscope. Transistors can be general purpose types like BC548.