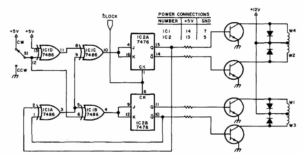
This circuit was found in a computer publication from the 1970s. The transistors can be the BD135 for motors up to 500 mA and TIP31 for motors up to 2 A. The motor voltage can be different from the voltage of the logic circuits. The base resistors of the transistors are 1k. The circuit can be used as a shield for microcontrollers.




