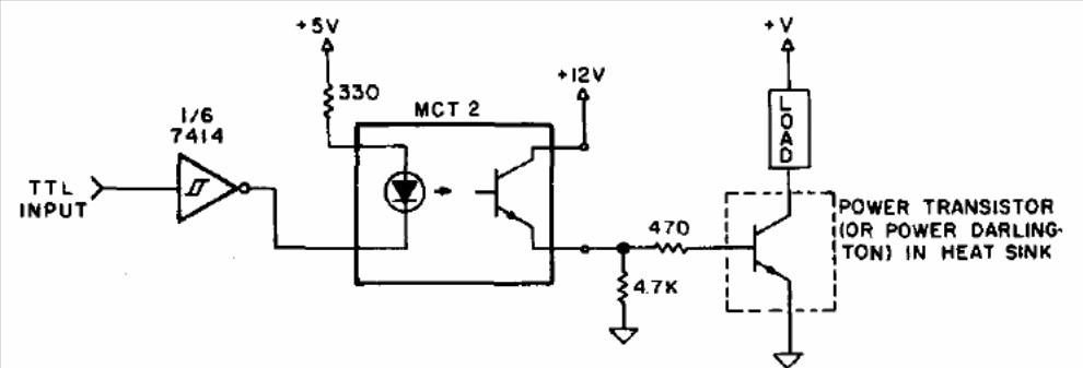
With an optical coupler and a power transistor, which can be the BD135, it is possible to control loads up to 500 mA from TTL pulses. The circuit has a sector powered by 5 V (TTL) and a stage of power per voltage that depends on the load. The circuit can be used as a shield for microcontrollers.




