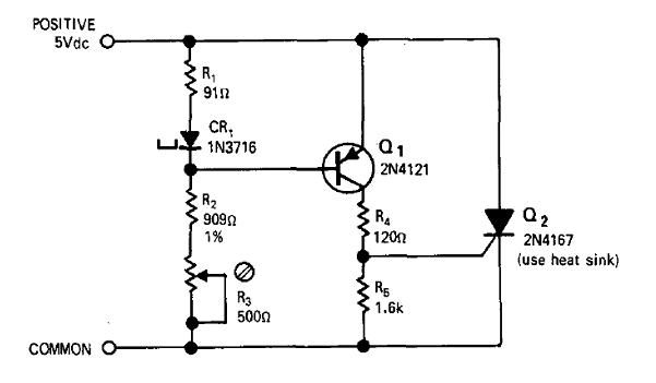
This circuit triggers by burning an input fuse when the monitored voltage exceeds 5 V. The SCR admits equivalents and the transistor can be the BC558. The circuit is from American documentation from the 70s.

This circuit triggers by burning an input fuse when the monitored voltage exceeds 5 V. The SCR admits equivalents and the transistor can be the BC558. The circuit is from American documentation from the 70s.
