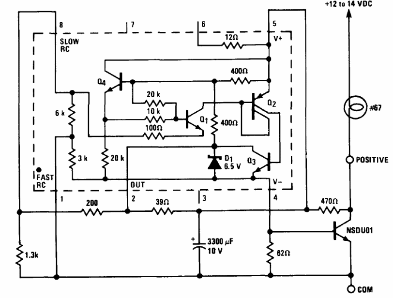
The selected circuit causes a 12 V lamp with a current of up to 500 mA for the BD135 transistor to flash at a frequency determined by the external capacitor. The circuit is suggested by National Semiconductor in a technical documentation.
The selected circuit causes a 12 V lamp with a current of up to 500 mA for the BD135 transistor to flash at a frequency determined by the external capacitor. The circuit is suggested by National Semiconductor in a technical documentation.