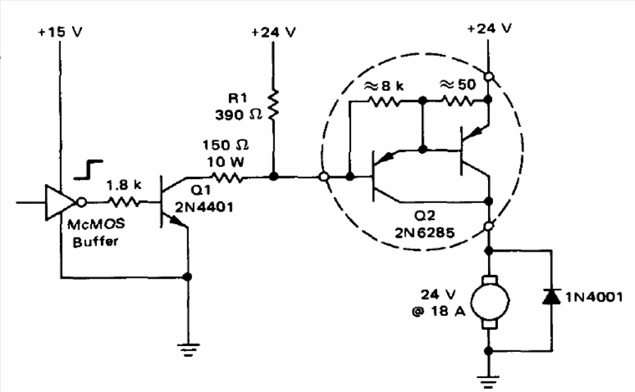
This circuit is from a documentation on Motorola interfacing techniques from 1975. The Darlington may be a modern equivalent of the TIP series with current according to the engine. The NPN can be the BC548. The circuit starts the motor when the logic output is at the high level.




