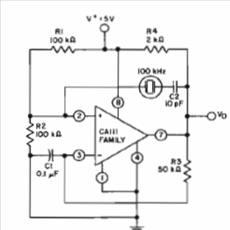
We obtained this configuration from an old RCA manual of linear integrated circuits. The integrated circuit can be any one of the AC family and the frequency is determined by the crystal. The circuit has output compatible with TTL and CMOS logic.

We obtained this configuration from an old RCA manual of linear integrated circuits. The integrated circuit can be any one of the AC family and the frequency is determined by the crystal. The circuit has output compatible with TTL and CMOS logic.
