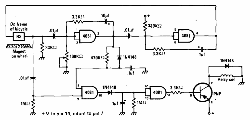
This circuit was found in an American magazine in 1978. It activates a relay when the speed of a bicycle exceeds a certain value. The sensor is a reed-switch placed on the wheel. The circuit can be supplied with 6 V or 12 V, depending on the relay.
This circuit was found in an American magazine in 1978. It activates a relay when the speed of a bicycle exceeds a certain value. The sensor is a reed-switch placed on the wheel. The circuit can be supplied with 6 V or 12 V, depending on the relay.