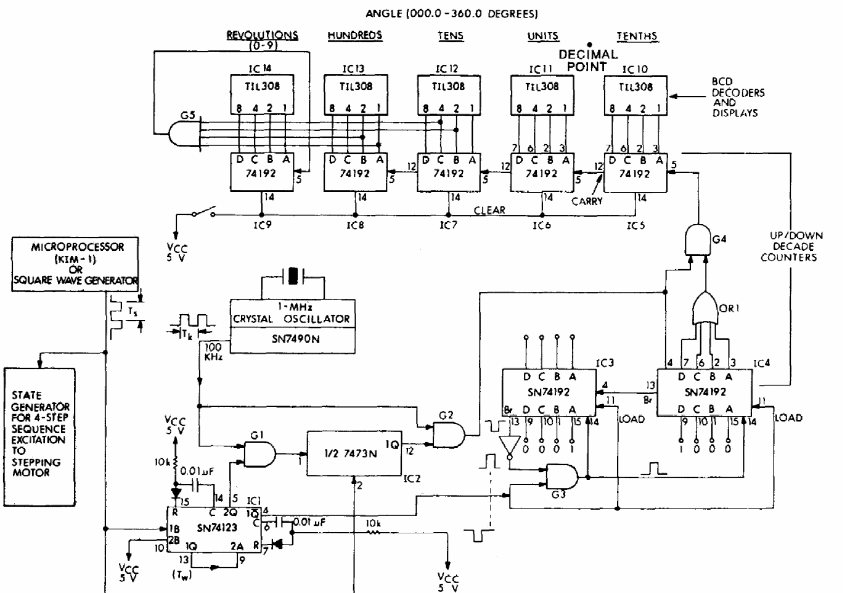
This interesting circuit, from a digital documentation two years 1978 shows how to implement a circuit that measures the position or angle of a stepper motor controlled by a microcontroller.
This circuit provides a power per channel between 6 and 10 W depending on the load. The circuit is from...
For an 8 ohm load, this Motorola circuit was found in a 1968 documentation. The transistors are of the time...
This circuit was obtained from a 1990 English magazine. The circuit can be assembled with MOSFETs of...