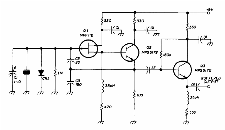
This circuit was found in a documentation for radio amateurs in 1974. It can be used to generate signals in the indicated range, depending on the crystal. The FET can be the BF245 and the other 2N2222 transistors. The power, in fact, can be made with voltages of 9 to 12 V and the consumption is low.




