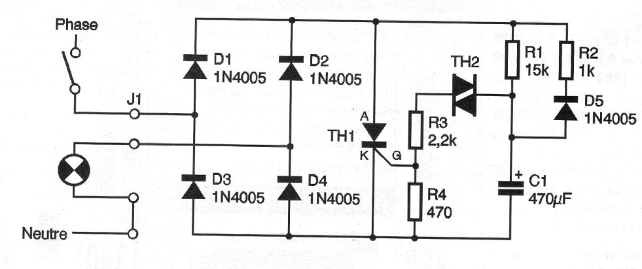
This circuit was obtained in an old French publication from the 80s. The maximum power of the lamp depends on the diodes of the bridge, being around 200 W. The frequency of the flashes depends on C1, which may have its value changed. The circuit operates on both the 110 V and 220 V network.




