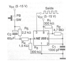
The circuit shown in the figure generates a square signal (50% active cycle) when the pressure switch is activated. The frequency depends on capacitor C1. The signal production time is determined by capacitor C2. Thus, even keeping the switch pressed, the signal production stops after the time determined by C2 has elapsed.




