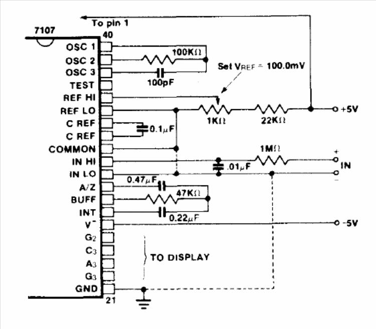
This circuit, from Intersil Databook since 1983, shows the use of the ICL7107 in a voltmeter with an internal reference of 100 mV. The circuit is powered by voltages of 5 and 9 V. This circuit is found in many inexpensive multimeters.
This circuit, from Intersil Databook since 1983, shows the use of the ICL7107 in a voltmeter with an internal reference of 100 mV. The circuit is powered by voltages of 5 and 9 V. This circuit is found in many inexpensive multimeters.