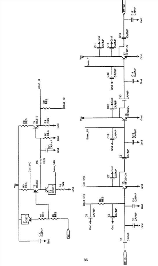
The original document is from Philips, but now available from NXP (www.nxp.com) which is the semiconductor company that acquired the rights to the Philips line. The circuit presented consists of an RF amplifier for the range from 1880 to 1920 MHz and can be powered with voltages from 3.3 to 3.6 V. The project is elaborated around the broadband transistors BFG540 / X and also transistors of RF BFG10 / X and BFG11 / X. The output power is 26 dBm, with a voltage of 3.6 V and 1900 MHz of frequency. The amplifier provides a gain of 25 dB with a power of 26 dBm. If greater gain is needed, the BFG505 transistor can be used additionally. With this, an additional 10 dB gain can be achieved without significant change in performance. As the project is designed around bipolar, there are no switching losses as occurs in projects that use GaAs FETs. The amplifier circuit has 3 stages, with a BFG540 operating in class A. In the technical document (Application Report) from NXP it is possible to find all the characteristics of the project and a suggested printed circuit board for the elaboration of a prototype.




