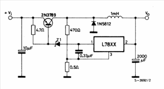
This circuit was obtained in the SGS manual of linear integrated circuits of 1982. The maximum current depends on the transistor and the XX is the integrated voltage equivalent to the current 78xx. The transistor must be equipped with a heat radiator.




