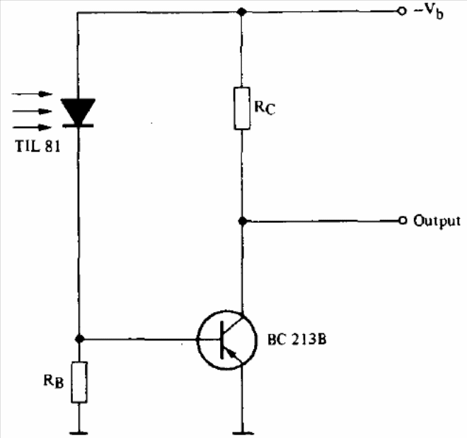
The presented circuit uses a PNP transistor, which can be the BC558. Observe the polarity of the supply. The circuit is suggested by Texas Instruments opto-electronic documentation.
This configuration, found many times on this website, is from a 1977 documentation. The frequency...
Monostable action can be an important factor in many projects. Monostable action is understood as the...
Found in Popular Electronics of January/February 1969, this transmitter has a few meters range and can...