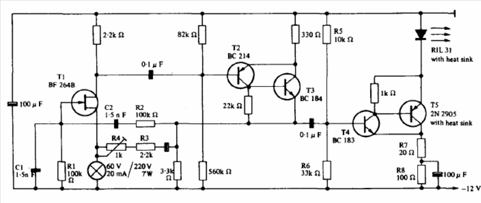
The circuit shown in the figure modulates an infrared beam with a sinusoidal signal generated by a Wien bridge oscillator. The circuit can be used in an infrared remote control and is indicated for low power LEDs. This configuration is from the Texas Instruments opto-electronics manual.




