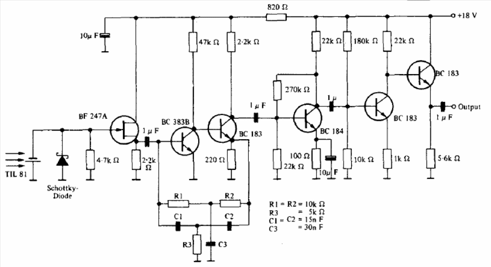
This circuit selects a signal at a frequency determined by the double T. The NPN transistors can be BC548 and FET or BF245. The circuit is from the Texas Instruments opto-electronics manual.
This circuit selects a signal at a frequency determined by the double T. The NPN transistors can be BC548 and FET or BF245. The circuit is from the Texas Instruments opto-electronics manual.