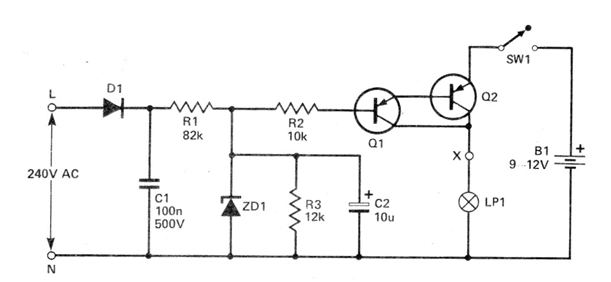
When there is no voltage in the power grid, the circuit causes a lamp to light. The circuit can be modified to drive a high brightness LED with a 100 ohms resistor in series and still R1 can be changed for operation on the 110 V network. Q1 can be a BC558 and Q2 a BD136 or TIP32, depending on the current of the lamp. ZD1 is a 12 V zener.




