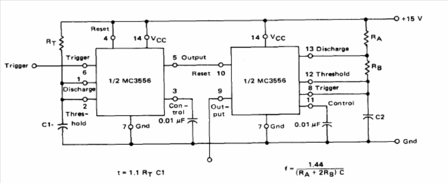
The integrated circuit used in this configuration is equivalent to the common 555, but double. The circuit is from Motorola's Linear Databook and the components are calculated in the same way as in a common 555.
The integrated circuit used in this configuration is equivalent to the common 555, but double. The circuit is from Motorola's Linear Databook and the components are calculated in the same way as in a common 555.