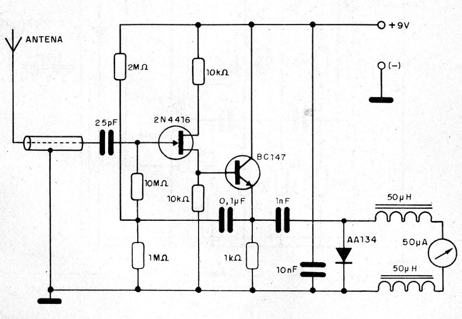
This circuit detects signals in a wide range of frequencies, indicating their strength in an analog instrument, which may be the lowest current range of a common multimeter. The circuit is powered by battery and the antenna can be of the telescopic type.




