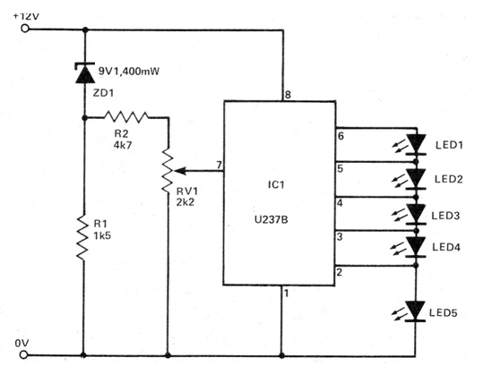
This circuit monitors the state of a 12 V battery and can be used directly with one, or even in a charging circuit. The circuit is from an old documentation from 1982 and RV1 must be adjusted so that LED3, which indicates the normal state lights up.

This circuit monitors the state of a 12 V battery and can be used directly with one, or even in a charging circuit. The circuit is from an old documentation from 1982 and RV1 must be adjusted so that LED3, which indicates the normal state lights up.
