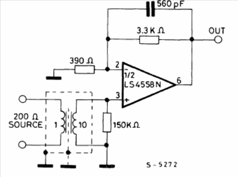
The integrated circuit used is a double 741 from SGS. The transformer is the critical component of the project, being indicated for low impedance microphones. The power supply must be symmetrical from 12 to 15 V.

The integrated circuit used is a double 741 from SGS. The transformer is the critical component of the project, being indicated for low impedance microphones. The power supply must be symmetrical from 12 to 15 V.
