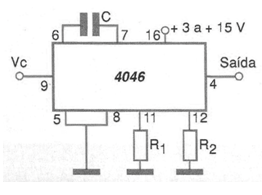
The CMOS 4046 integrated circuit is seldom used, both due to the difficulty of finding it and the fact that the well-known 567 is preferred in many applications in which it serves. However, this CML PLL is characterized by its low consumption and the fact that it can be configured so that only its internal VCO is used. How to do this is shown in the figure. In the circuit shown, the frequency range generated, depending on the control voltage, is given by the graph below.
Note that it is capacitor C and R1 that determine the basic frequency of the circuit. The frequency range of the generated signal can be modified by resistor R2. This resistor can assume values between 0 and 47 k in order to modify the scanned range. We also observed that the control voltage must not exceed the supply voltage of the circuit. We also observed that the maximum frequency generated by this circuit does not exceed a few megahertz.





