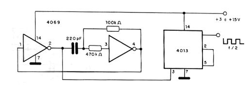
This circuit allows the division of the frequency generated by an oscillator with the 4069 by two, with an output signal maintaining an active cycle of 50%. This symmetry is important when the circuit is used in digital mixers, multiplexers, such as echo camera clock or digital delay lines. For the 4069 circuit only two of the 4 available gates are used, while for the 4013 only one of the flip-flops of this integrated are used in the circuit.




