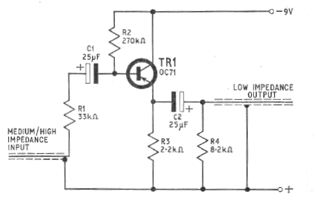
This circuit matches a source of high or medium impedance audio signals with a low impedance output. Equivalent transistors can be used. The circuit was found in a 1965 documentation.

This circuit matches a source of high or medium impedance audio signals with a low impedance output. Equivalent transistors can be used. The circuit was found in a 1965 documentation.
