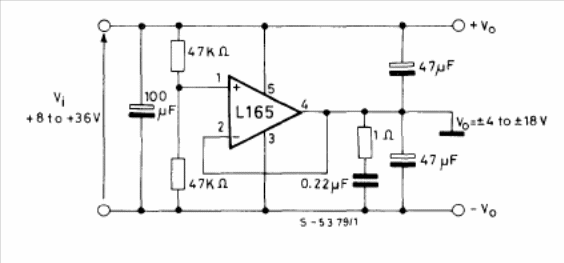
This circuit divides the voltage of a source by 2, allowing its use as a symmetrical source. In this case, the SGS integrated circuit manual circuit can supply up to 3 A and was found in the 1982 SGS linear integrated circuit manual.

This circuit divides the voltage of a source by 2, allowing its use as a symmetrical source. In this case, the SGS integrated circuit manual circuit can supply up to 3 A and was found in the 1982 SGS linear integrated circuit manual.
