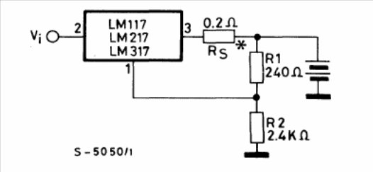
The current of this charger is determined by Rs. The circuit is from the 1982 SGS linear integrated circuit manual. The integrated circuit must be equipped with a heat radiator.

The current of this charger is determined by Rs. The circuit is from the 1982 SGS linear integrated circuit manual. The integrated circuit must be equipped with a heat radiator.
