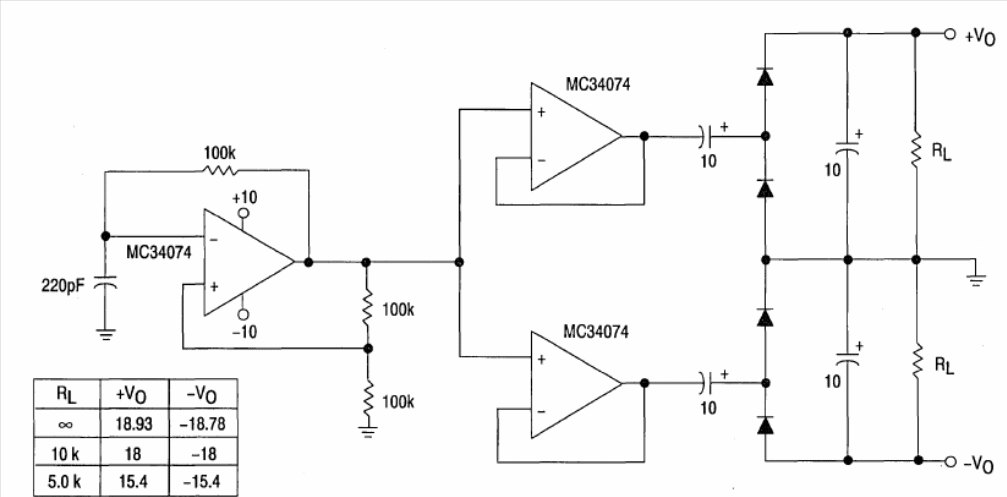
Other operational amplifiers in the series, such as the MC34072, MC34074, MC35071, MC35072, MC35074 d MC33071 can be used in this configuration found on Motorola's 1993 Linear Interface ICs. The power supply must be symmetrical.
Other operational amplifiers in the series, such as the MC34072, MC34074, MC35071, MC35072, MC35074 d MC33071 can be used in this configuration found on Motorola's 1993 Linear Interface ICs. The power supply must be symmetrical.