This circuit was found in a Poptronics of the 90's. The components can be changed to the desired frequency. The power supply must be symmetrical.
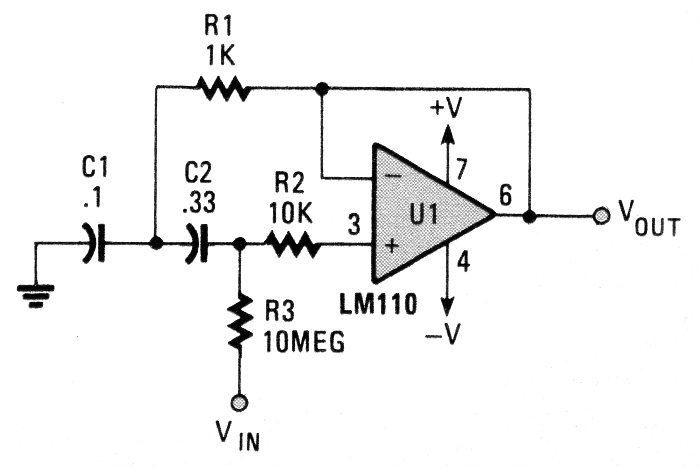
We found this circuit in a 1973 documentation. The null adjustment trimpot is 10k. The circuit can be...
This commercial transistor radio was manufactured in Japan in the 1960s. The circuit has only 3...
This FM transmitter was described in the Radio Electronics magazine of June 1963. It operates in...