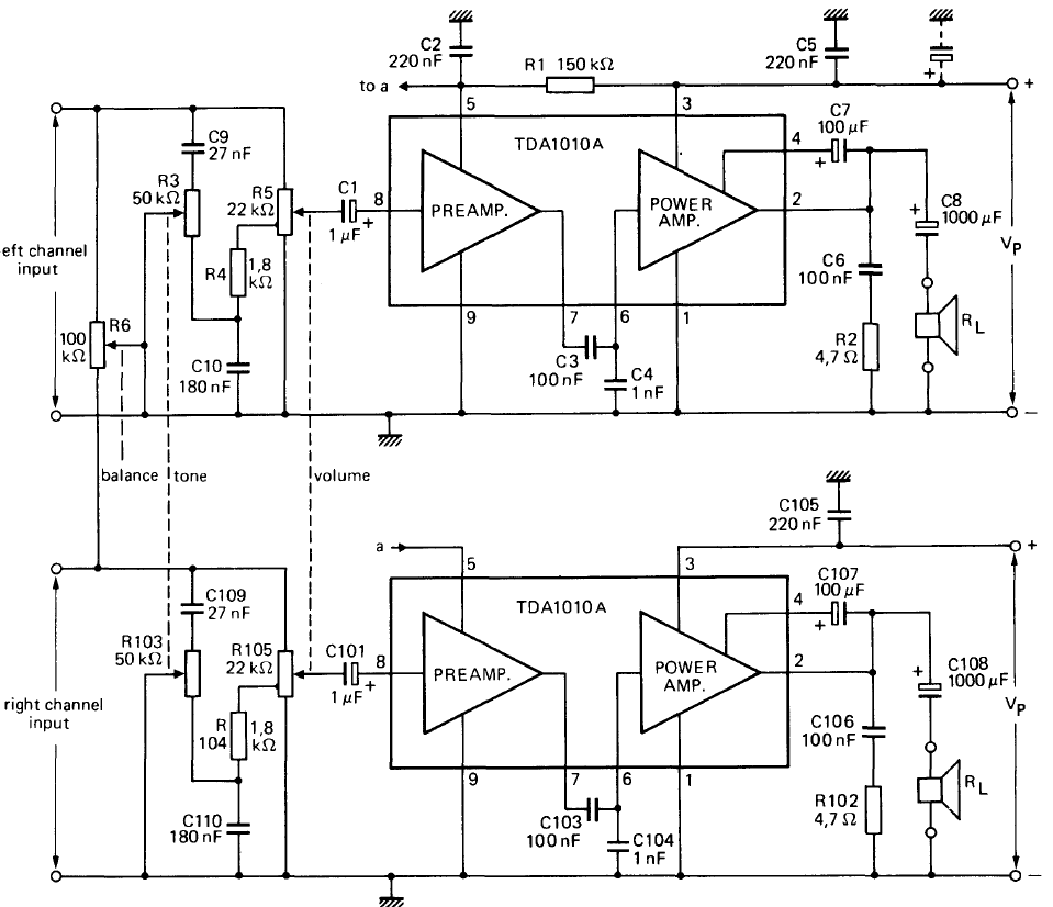
We found this amplifier for automotive use in the Philips integrated circuit manual from 1990. The impedance of the speaker can typically be between 2 and 8 ohms. The circuit includes a balance control.
We found this amplifier for automotive use in the Philips integrated circuit manual from 1990. The impedance of the speaker can typically be between 2 and 8 ohms. The circuit includes a balance control.