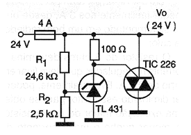
In the circuit shown in the figure, when the input voltage rises to 27 V, the TL431 triggers the triac which causes a short circuit in the supply. With this short circuit, the fuse is immediately blown, thus protecting the powered circuit. The voltage at which the trip occurs is programmed by resistors R1 and R2, whose values can be changed depending on the application. As the pulse driven by the triac is short, there is no need to mount this component on a heat radiator. Of course, other triacs can be used to obtain a higher short-circuit current, in which case the fuse can be increased. This fuse has exactly this value determined by the intensity of the normal current of the powered circuit. Likewise, another trip schedule can be made depending on the nominal voltage of the powered circuit.




