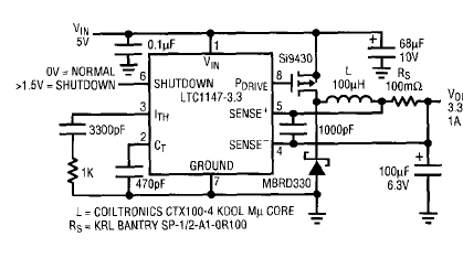
This circuit was obtained in the Linear Technology Applications of 1997. The circuit uses common components at the time, and current equivalents can be used.

This circuit was obtained in the Linear Technology Applications of 1997. The circuit uses common components at the time, and current equivalents can be used.
