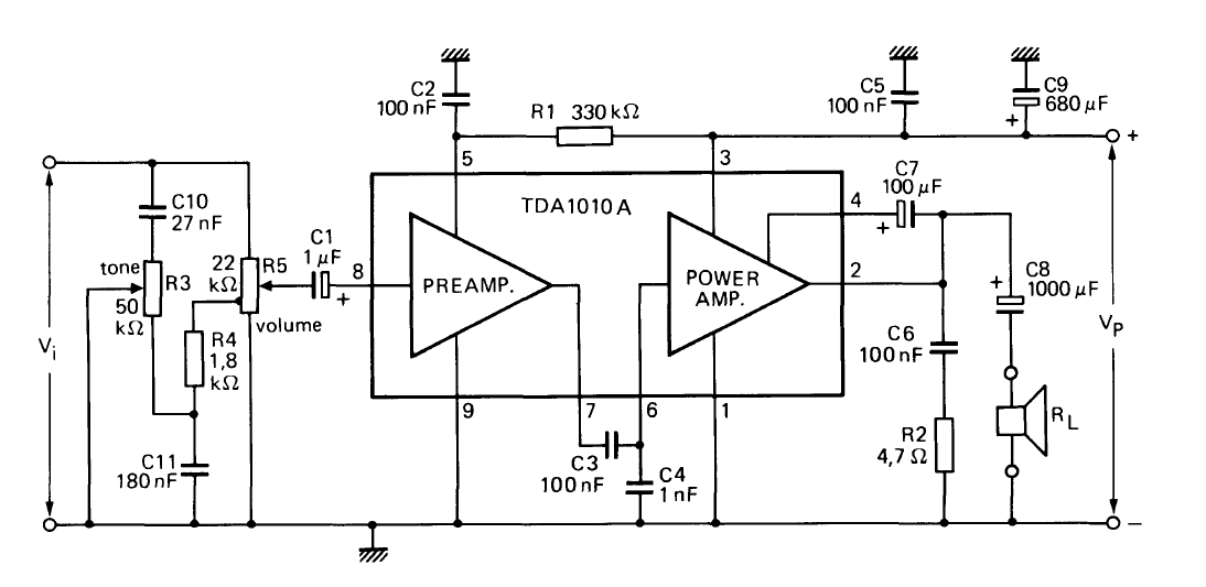
This circuit was obtained in the Philips integrated circuits manual of 1990. The indicated power is 14.4 V, and the power depends on the load that can be between 2 and 16 ohms.
This circuit was obtained from a 90s Radio Electronics. The value of R1 determines the scale...
This small signal injector generator was found in the February 1971 issue of Radio Electronics magazine....
This is one of the many versions of cricket that the reader can find on this site. This circuit is...