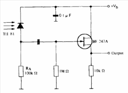
The circuit is from the Texas Instruments optoelectronics manual. The capacitor depends on the frequency of the received signal and the power can typically be between 15 and 25 V.

The circuit is from the Texas Instruments optoelectronics manual. The capacitor depends on the frequency of the received signal and the power can typically be between 15 and 25 V.
