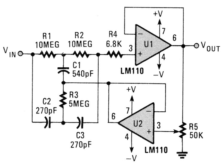
This circuit was found in an old Poptronics. Operational amplifiers can be replaced with equivalents. The power supply must be symmetrical.
The configuration shown in the figure uses two NPN transistors activating the load when the input...
This circuit was found in American documentation from the 1980s. Its purpose is to use a 170 MHz...
This circuit protects galvanometers that are excited by low impedance amplifiers. The circuit is...