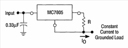
This circuit is the conventional use of the 7805 as a constant current source up to 1 A. The circuit is from Motorola's 1993 Linear Interface ICs. The formula allows calculating the resistor for the desired current.

This circuit is the conventional use of the 7805 as a constant current source up to 1 A. The circuit is from Motorola's 1993 Linear Interface ICs. The formula allows calculating the resistor for the desired current.
