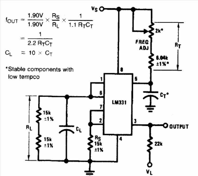
In the figure we have the way to use an LM331 as a stable voltage-adjusted oscillator. The formulas next to the diagram make it possible to calculate the generated frequency. The circuit is from National Semiconductor's Linear Applications Handbook.
In the figure we have the way to use an LM331 as a stable voltage-adjusted oscillator. The formulas next to the diagram make it possible to calculate the generated frequency. The circuit is from National Semiconductor's Linear Applications Handbook.